পাইকারি সাইক্লোন প্লেট ওয়েট স্ক্রাবার

  • সাইক্লোন প্লেট ওয়েট স্ক্রাবার

সাইক্লোন প্লেট ওয়েট স্ক্রাবার

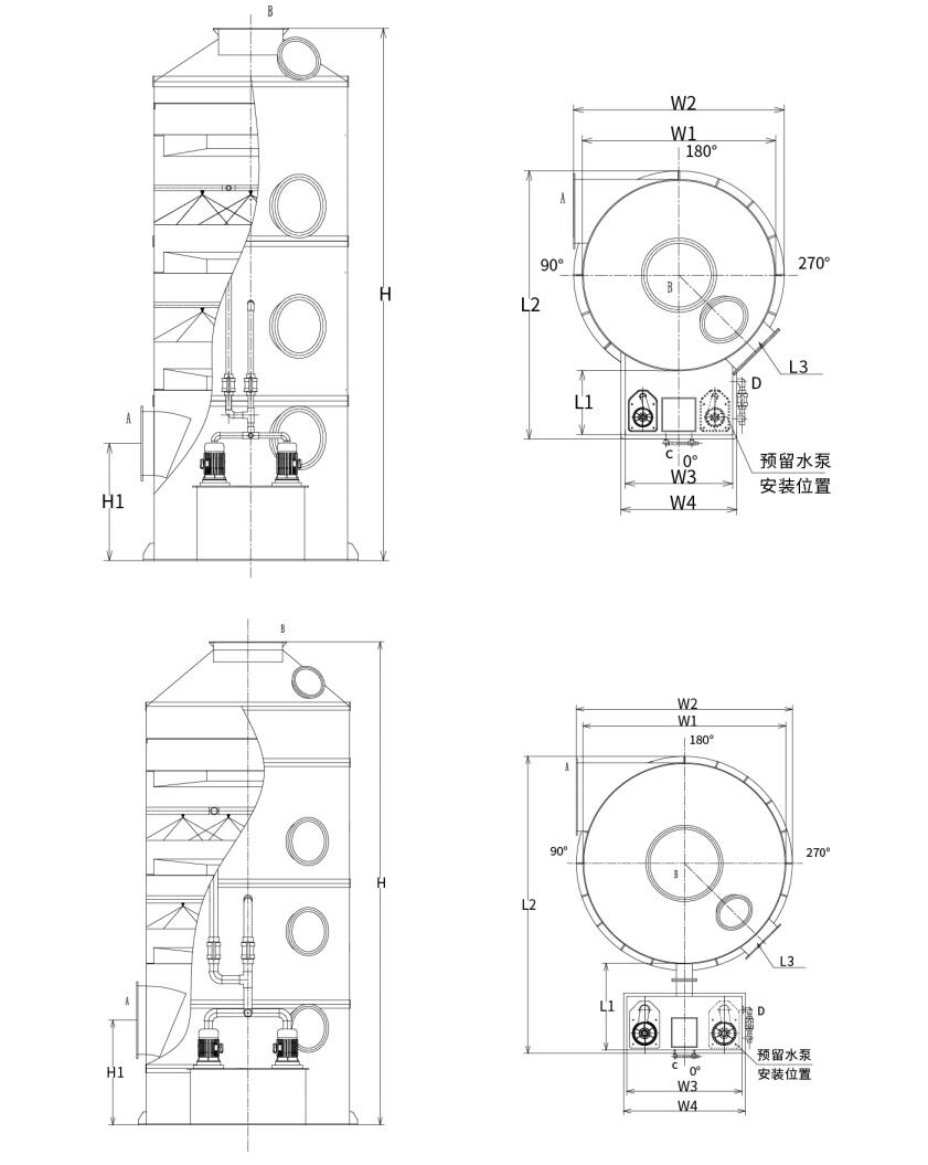
সাইক্লোন স্ক্রাবার টাওয়ারে সাধারণত স্পাইরাল ব্যাফেল প্লেট দিয়ে সজ্জিত একটি নলাকার টাওয়ার বডি থাকে। অপারেশন চলাকালীন, ফ্লু গ্যাস টাওয়ারের নিচ থেকে স্পর্শকভাবে প্রবেশ করে এবং উপরের দিকে প্রবাহিত হয়। ব্যাফেল প্লেটের ব্লেড দ্বারা পরিচালিত, গ্যাস উপরের দিকে সর্পিল করে, প্লেটের নিচে প্রবাহিত তরলকে সূক্ষ্ম ফোঁটায় পরিণত করে। এটি একটি বড় গ্যাস-তরল যোগাযোগ এলাকা তৈরি করে। ফোঁটাগুলি গ্যাসের প্রবাহ দ্বারা বাহিত হয় এবং ঘোরানো হয়, কেন্দ্রাতিগ শক্তি তৈরি করে যা গ্যাস-তরল মিথস্ক্রিয়াকে উন্নত করে। অবশেষে, ফোঁটাগুলি টাওয়ারের প্রাচীরের উপর নিক্ষিপ্ত হয়, প্রাচীর বরাবর নীচের দিকে প্রবাহিত হয় পরবর্তী ব্যাফেল প্লেটে, এবং আরও যোগাযোগের জন্য গ্যাস প্রবাহ দ্বারা পুনরায় পরমাণুযুক্ত হয়। যেমন বর্ণনা করা হয়েছে, তরলটি কার্যকর বিচ্ছেদ বজায় রাখার সময় গ্যাসের সাথে পুঙ্খানুপুঙ্খ যোগাযোগ অর্জন করে — কুয়াশা প্রবেশকে কম করে। এই সিস্টেমের গ্যাস-তরল লোড ক্ষমতা প্রচলিত ব্যাফেল প্লেটের তুলনায় দ্বিগুণেরও বেশি।

টাওয়ারের চমৎকার গ্যাস-তরল যোগাযোগের অবস্থা ক্ষারীয় তরল দ্বারা বর্জ্য গ্যাসের দক্ষ শোষণ নিশ্চিত করে। অতিরিক্তভাবে, সাইক্লোন স্ক্রাবার টাওয়ার উচ্চতর ধুলো অপসারণ কার্যকারিতা প্রদর্শন করে। গ্যাসের ধূলিকণাগুলি সর্পিল বাফেল প্লেটে জলের কুয়াশা দ্বারা বন্দী হয়, এবং কেন্দ্রাতিগ বল দ্বারা টাওয়ারের দেয়ালে নিক্ষিপ্ত কণা এবং ফোঁটাগুলিও কার্যকরভাবে সরানো হয়। ফলস্বরূপ, টাওয়ার থেকে বেরিয়ে আসা গ্যাসটি ন্যূনতম ধুলো এবং ফোঁটা বহন করে। খালি টাওয়ারের বাতাসের গতি 2.2-2.7 m/s. এর মধ্যে

ঘূর্ণায়মান স্প্রে টাওয়ার গঠন:
চিত্রে দেখানো হয়েছে: সম্পূর্ণ প্যাকড স্প্রে স্ক্রাবিং সিস্টেমে নিম্নলিখিত উপাদানগুলি অন্তর্ভুক্ত রয়েছে:

● টাওয়ার বডি পিপি (পলিপ্রোপিলিন) শীট দিয়ে তৈরি;

● ফ্রেম পিপি সর্পিল baffles সঙ্গে নির্মিত;

● UPVC (আনপ্লাস্টিকাইজড পলিভিনাইল ক্লোরাইড) দিয়ে তৈরি সংযোগকারী পাইপগুলি স্প্রে করুন;

● পিপি সর্পিল অগ্রভাগ;

● জারা-প্রতিরোধী পিপি প্রচলন পাম্প;

● ডেমিস্টার লেয়ার (জাল/সাইক্লোন/ব্যাফেল টাইপ);

● ম্যানুয়াল এবং স্বয়ংক্রিয় জল পুনরায় পূরণ ডিভাইস;

● ওভারফ্লো এবং নিষ্কাশন পাইপ;

● পরিদর্শন উইন্ডো।

সাইক্লোন প্লেট টাওয়ার নির্বাচন পরামিতি:
পরিবহন সুবিধা এবং নিরাপত্তা নিশ্চিত করতে, পিপি সাইক্লোন স্ক্রাবার টাওয়ার দুটি স্পেসিফিকেশন বিভাগে বিভক্ত:

টাইপ 1: ইন্টিগ্রেটেড ওয়াটার ট্যাঙ্ক সাইক্লোন স্ক্রাবার (টাওয়ারের ব্যাস: Φ1000mm-Φ2200mm)

টাইপ 2: স্প্লিট-টাইপ ওয়াটার ট্যাঙ্ক সাইক্লোন স্ক্রাবার (টাওয়ারের ব্যাস: Φ2500mm-Φ3500mm)


সাইক্লোন স্ক্রাবার টাওয়ার মডেলগুলি বায়ু প্রবাহের ক্ষমতার সাথে সম্পর্কিত:

মডেল বায়ু ভলিউম পরিসীমা ডিভাইসের আকার জল পাম্প শক্তি swirl ব্লেড সংখ্যা বাতাসের গতি পরিসীমা সরঞ্জাম উপাদান
XL-600 0-2800m³/ঘণ্টা Φ600×2950 0.75 কিলোওয়াট 2 0-2.76m/s PP/304/Q235/FRP
XL-800 3800-5000m³/ঘণ্টা Φ800×3300 0.75 কিলোওয়াট 2 2.11-2.77 মি/সেকেন্ড PP/304/Q235/FRP
XL-1000 6000-7500m³/ঘণ্টা Φ1000×4380 1.5 কিলোওয়াট 2 2.13-2.66m/s PP/304/Q235/FRP
XL-1200 8500-11000m³/ঘণ্টা Φ1200×4430 ২.২ কিলোওয়াট 2 2.09-2.71m/s PP/304/Q235/FRP
XL-1500 14000-17000m³/ঘণ্টা Φ1500×5000 3.75 কিলোওয়াট 2 2.2-2.68m/s PP/304/Q235/FRP
XL-1800 20000-25000m³/ঘণ্টা Φ1800×5650 5.5 কিলোওয়াট 2 2.19-2.73m/s PP/304/Q235/FRP
XL-2000 25001-30000m³/ঘণ্টা Φ2000×6200 5.5 কিলোওয়াট 2 2.21-2.66m/s PP/304/Q235/FRP
XL-2200 30001-37000m³/ঘণ্টা Φ2200×6700 7.5 কিলোওয়াট 2 2.19-2.71m/s PP/304/Q235/FRP
XL-2500 40000-47000m³/ঘণ্টা Φ2500×6850 7.5 কিলোওয়াট 2 2.27-2.66m/s PP/304/Q235/FRP
XL-2800 49000-58000m³/ঘণ্টা Φ2800×7900 11 কিলোওয়াট 2 2.21-2.62m/s PP/304/Q235/FRP
XL-3000 58000-68000m³/ঘণ্টা Φ3000×8000 11 কিলোওয়াট 2 2.28-2.67m/s PP/304/Q235/FRP
XL-3200 68000-78000m³/ঘণ্টা Φ3200×8000 15 কিলোওয়াট 2 ২.৩৫-২.৭মি/সেকেন্ড PP/304/Q235/FRP
XL-3500 78000-88000m³/ঘণ্টা Φ3500×8000 15 কিলোওয়াট 2 2.25-2.54m/s PP/304/Q235/FRP

দ্রষ্টব্য: গ্রাহকের প্রয়োজনীয়তা অনুযায়ী অ-মানক ডিজাইন তৈরি করা যেতে পারে।

নির্বাচন চিত্র:

Hangzhou Lvran Environmental Protection Group Co., Ltd.

  • 1000+

    সেবা ইউনিট গ্রাহকদের

  • 2000+

    ন্যাশনাল ইঞ্জিনিয়ারিং কেস

Hangzhou Lvran Environmental Protection Group Co., Ltd. হল একটি ব্যাপক বর্জ্য গ্যাস শোধন ব্যবস্থা প্রকৌশল পরিষেবা প্রদানকারী এবং সরঞ্জাম প্রস্তুতকারক, যা R&D, প্রযুক্তিগত পরিষেবা, নকশা, উৎপাদন, প্রকৌশল ইনস্টলেশন, এবং বিক্রয়োত্তর পরিষেবাকে একীভূত করে।

We are China সাইক্লোন প্লেট ওয়েট স্ক্রাবার Suppliers and Wholesale সাইক্লোন প্লেট ওয়েট স্ক্রাবার Exporter, Company. গ্রুপটি একটি জাতীয় উচ্চ প্রযুক্তির উদ্যোগ, একটি ঝেজিয়াং প্রদেশের বিজ্ঞান ও প্রযুক্তি উদ্যোগ, একটি আঞ্চলিক গবেষণা ও উন্নয়ন কেন্দ্র এবং একটি AAA-রেটেড ক্রেডিট ইউনিট। এটি 30টিরও বেশি ইউটিলিটি মডেল পেটেন্ট, অসংখ্য উদ্ভাবন পেটেন্ট এবং সফ্টওয়্যার কপিরাইট ধারণ করে। গোষ্ঠীটির গার্হস্থ্য বিশ্ববিদ্যালয় এবং প্রতিষ্ঠানগুলির সাথে দীর্ঘস্থায়ী প্রযুক্তিগত R&D সহযোগিতা রয়েছে, যার মধ্যে রয়েছে আনহুই বিজ্ঞান ও প্রযুক্তি বিশ্ববিদ্যালয়ের সাথে প্রতিষ্ঠিত "এনভায়রনমেন্টাল ইনোভেশন R&D সেন্টার" এবং Zhejiang Sci-Tech University এর সাথে যৌথভাবে বিকশিত "Plasma Energy and Environmental New Technology R&D Center"। গভীর প্রযুক্তিগত সহযোগিতার জন্য গ্রুপটি নিজস্ব গবেষণা ও উন্নয়ন এবং উৎপাদন ভিত্তি স্থাপন করেছে। গ্রুপটি মূল VOC গ্যাস চিকিত্সা প্রযুক্তির অধিকারী, পৌরসভার পাবলিক ওয়ার্ক নির্মাণের জন্য একটি স্তর 2 সাধারণ চুক্তির যোগ্যতা, একটি সুরক্ষা উত্পাদন লাইসেন্স, ঝেজিয়াং প্রদেশে পরিবেশ দূষণ নিয়ন্ত্রণের জন্য একটি ক্লাস B বিশেষ নকশা যোগ্যতা, অশ্রেণীবদ্ধ শ্রম পরিষেবার যোগ্যতা এবং বিশেষ প্রকল্পগুলির জন্য বিশেষ চুক্তির অধিকারী। গ্রুপটি আন্তর্জাতিক মানের জন্য ISO9001, পরিবেশ ব্যবস্থাপনার জন্য ISO14001 এবং পেশাগত স্বাস্থ্য ও নিরাপত্তার জন্য ISO45001-এ প্রত্যয়িত।

অনার এবং সার্টিফিকেট

নিম্নলিখিত সম্মান আমাদের দীপ্তি প্রতিনিধিত্ব. আমরা উচ্চ-মানের পণ্য দিয়ে গ্রাহকদের জয় করি এবং ভাল পরিষেবা দিয়ে বাজার এবং জীবনের সর্বস্তরের থেকে উচ্চ প্রশংসা অর্জন করি।

  • একটি প্লেট-টাইপ উচ্চ বৈদ্যুতিক ক্ষেত্রের মৌলিক ইউনিট এবং পৃষ্ঠ বরাবর ফুটো প্রতিরোধের জন্য চুল্লি
  • কার্বন ডাই অক্সাইড এবং জল ব্যবহার করে মিথানল সংশ্লেষণের জন্য একটি প্রতিক্রিয়া ডিভাইস এবং কার্বন ডাই অক্সাইড এবং জল ব্যবহার করে মিথানল সংশ্লেষণের একটি পদ্ধতি
  • স্ব-পরিষ্কার ইলেক্ট্রোস্ট্যাটিক precipitator
  • একটি জারা-প্রতিরোধী উচ্চ-চাপের পাখা বাতাসের দিক সমন্বয় ফাংশন সহ
  • একটি সামঞ্জস্যযোগ্য স্ব-পরিষ্কারকারী উচ্চ-ক্ষমতার পাখা
  • সম্মিলিত অনুঘটক গ্যাসীকরণ নিষ্কাশন গ্যাস প্রাক চিকিত্সা নিয়ন্ত্রণ ব্যবস্থা
  • বাষ্প পরিষ্কার ক্রমাগত ইলেক্ট্রোস্ট্যাটিক ক্ষেত্র নিষ্কাশন গ্যাস পরিশোধন এবং চিকিত্সা সিস্টেম
  • নিম্ন তাপমাত্রার প্লাজমা ইউভি ফটোলাইসিস নিষ্কাশন গ্যাস পরিশোধন সরঞ্জাম সিস্টেম
  • ট্রেডমার্ক নিবন্ধন শংসাপত্র
সাম্প্রতিক সংবাদ এবং ঘটনা
আপনার সাথে শেয়ার করুন
আরও খবর দেখুন