পাইকারি রাসায়নিক স্ক্রাবার

  • রাসায়নিক স্ক্রাবার

রাসায়নিক স্ক্রাবার

রাসায়নিক স্ক্রাবার একটি উন্নত স্ক্রাবিং ফিল্টার। এটি ভর স্থানান্তর এবং ডিহাইড্রেশন প্যাকিং হিসাবে একটি বিশেষ কাঠামো এবং নিয়মিত প্যাকিংয়ের একটি বৃহৎ নির্দিষ্ট পৃষ্ঠ এলাকা ব্যবহার করে। একই সময়ে, গন্ধে বিভিন্ন গন্ধ সৃষ্টিকারী উপাদান অনুসারে, সংশ্লিষ্ট অ্যাসিড, ক্ষার এবং অক্সিডেন্ট স্থানের গন্ধ দূর করতে এবং আশেপাশের পরিবেশের উপর প্রভাব দূর করতে শোষণ ধোয়ার তরল হিসাবে ব্যবহার করা হয়।

গন্ধযুক্ত বায়ুপ্রবাহ বায়ু নালী দিয়ে পরিবাহিত হয় এবং টাওয়ারের খাঁড়ি থেকে টাওয়ারে প্রবেশ করে। টাওয়ারে প্রবেশ করার পরে, এটি প্যাকিং স্তরের মধ্য দিয়ে নীচে থেকে উপরে যায় এবং অবশেষে টাওয়ারের উপরের পাইপলাইন আউটলেট থেকে অ্যান্টি-জারোশন ফ্যানের মাধ্যমে ডিসচার্জ করা হয়। নিরপেক্ষ দ্রবণ টাওয়ারের শীর্ষে থাকা তরল বিভাজকের মধ্য দিয়ে যায়, প্যাকিং স্তরে সমানভাবে স্প্রে করে, প্যাকিং স্তরের পৃষ্ঠ বরাবর নীচে প্রবাহিত হয় যতক্ষণ না এটি টাওয়ারের নীচে থেকে পাইপলাইনের মাধ্যমে নিঃসৃত হয় এবং অ্যান্টি-জারোশন সার্কুলেশন পাম্প দ্বারা সঞ্চালিত হয়। ক্রমবর্ধমান বায়ুপ্রবাহে দ্রবণের ঘনত্ব কম এবং নিম্নতর হতে থাকে, যখন এটি টাওয়ারের শীর্ষে পৌঁছায় তখন বিশুদ্ধকরণ ফাংশন অর্জিত হয় এবং পরবর্তী ধাপে এটি নিষ্কাশন করা হয় বা বিশুদ্ধ হতে থাকে। বিপরীতে, অবরোহী তরলে মাধ্যমের ঘনত্ব উচ্চতর এবং উচ্চতর হয় এবং এটি টাওয়ারের নীচে পৌঁছালে এবং টাওয়ার থেকে নিঃসৃত হলে এটি প্রক্রিয়াগত অবস্থায় পৌঁছায়।

স্প্রে প্যাকিং টাওয়ারের সুবিধা: এটির উচ্চ দক্ষতা, ছোট তরল ধারণ ক্ষমতা, হালকা ওজন এবং সহজ অপারেশন রয়েছে, যা কর্মীদের অবিলম্বে শুরু করতে দেয়। ফিলারটি গ্রাহক দ্বারা প্রদত্ত কাজের শর্ত অনুসারে নির্বাচন করা যেতে পারে। অনেক ধরনের আছে, এবং জারা-প্রতিরোধী বল রিং সাধারণত ব্যবহার করা হয়. যাইহোক, এটি লক্ষ করা উচিত যে কঠিন স্থগিত পদার্থ তার বড় কণা ব্যাসের কারণে ফিলারকে আটকে দিতে পারে, তাই এটি সাধারণত কঠিন পদার্থের চিকিত্সার জন্য উপযুক্ত নয়। উদাহরণস্বরূপ, NH₃, HCl, H₂S, নাইট্রোজেন অক্সাইড এবং কারখানা দ্বারা উত্পন্ন জৈব বর্জ্য গ্যাস এই সরঞ্জামের মাধ্যমে কার্যকরভাবে চিকিত্সা করা যেতে পারে৷

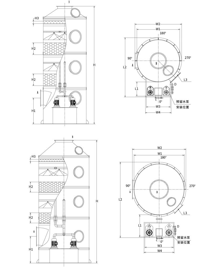
রাসায়নিক স্ক্রাবার গঠন:
চিত্রে দেখানো হয়েছে: সম্পূর্ণ প্যাকড স্প্রে স্ক্রাবিং সিস্টেমে নিম্নলিখিত উপাদানগুলি অন্তর্ভুক্ত রয়েছে:

1. টাওয়ার বডি পিপি (পলিপ্রোপিলিন) শীট দিয়ে তৈরি;

2. পিপি ঝাঁঝরি প্যানেল তৈরি সমর্থন ফ্রেম প্যাকিং;

3. UPVC দিয়ে তৈরি সংযোগকারী পাইপ স্প্রে;

4. পিপি সর্পিল অগ্রভাগ;

5. ঠালা বল বা প্যাল ​​রিং প্যাকিং;

6. জারা-প্রতিরোধী পিপি প্রচলন পাম্প;

7. মেশ ডেমিস্টার স্তর;

8. ম্যানুয়াল এবং স্বয়ংক্রিয় জল পুনরায় পূরণ ডিভাইস;

9. ওভারফ্লো এবং নিষ্কাশন পাইপ;

10. পরিদর্শন উইন্ডো।

রাসায়নিক স্ক্রাবার নির্বাচন:
প্যাকড স্প্রে স্ক্রাবারের প্রযুক্তিগত পরামিতি টেবিল

পরিবহন সুবিধা এবং নিরাপত্তা নিশ্চিত করতে, পিপি প্যাকড স্প্রে স্ক্রাবার দুটি প্রকারে বিভক্ত:

টাইপ 1: ইন্টিগ্রেটেড ওয়াটার ট্যাঙ্ক প্যাকড স্প্রে স্ক্রাবার (টাওয়ারের ব্যাস: Φ1000mm-Φ2200mm)

টাইপ 2: স্প্লিট-টাইপ ওয়াটার ট্যাঙ্ক প্যাকড স্প্রে স্ক্রাবার (টাওয়ারের ব্যাস: Φ2500mm-Φ3500mm)


মডেল স্পেসিফিকেশন বায়ুপ্রবাহ ক্ষমতার সাথে সম্পর্কিত:

মডেল বাতাসের পরিমাণ ডিভাইসের আকার জল পাম্প শক্তি ভরাট বেধ বাতাসের গতি সরঞ্জাম উপাদান
LRTL-600 0-1500m³/ঘণ্টা Φ600x3000 0.75 কিলোওয়াট 500*2 1.48m/s PP/304/Q235/FRP
LRTL-800 1501-2500m³/ঘণ্টা Φ800x3000 0.75 কিলোওয়াট 500*2 1.39m/s PP/304/Q235/FRP
LRTL-1000 2501-4000m³/ঘণ্টা Φ1000x5000 1.5 কিলোওয়াট 500*2 1.42 মি/সেকেন্ড PP/304/Q235/FRP
LRTL-1200 4001-6000m³/ঘণ্টা Φ1200x5000 ২.২ কিলোওয়াট 500*2 1.48m/s PP/304/Q235/FRP
LRTL-1500 6001-9500m³/ঘণ্টা Φ1500x5000 3.75 কিলোওয়াট 500*2 1.5 মি/সেকেন্ড PP/304/Q235/FRP
LRTL-1800 9501-14000m³/ঘণ্টা Φ1800x5000 5.5 কিলোওয়াট 500*2 1.53m/s PP/304/Q235/FRP
LRTL-2000 14001-17000m³/ঘণ্টা Φ2000x6000 5.5 কিলোওয়াট 500*2 1.5 মি/সেকেন্ড PP/304/Q235/FRP
LRTL-2200 17001-20000m³/ঘণ্টা Φ2200x6000 7.5 কিলোওয়াট 500*2 1.46m/s PP/304/Q235/FRP
LRTL-2500 20001-27000m³/ঘণ্টা Φ2500x6000 7.5 কিলোওয়াট 500*2 1.53m/s PP/304/Q235/FRP
LRTL-2800 27001-33000m³/ঘণ্টা Φ2800x6000 15 কিলোওয়াট 500*2 1.49m/s PP/304/Q235/FRP
LRTL-3000 33001-38000m³/ঘণ্টা Φ3000x6800 15 কিলোওয়াট 500*2 1.49m/s PP/304/Q235/FRP
LRTL-3200 38001-44000m³/ঘণ্টা Φ3200x6800 15 কিলোওয়াট 500*2 1.52 মি/সেকেন্ড PP/304/Q235/FRP
LRTL-3500 44001-55000m³/ঘণ্টা Φ3500x6800 15 কিলোওয়াট 500*2 1.5 মি/সেকেন্ড PP/304/Q235/FRP

দ্রষ্টব্য: অ-মানক ডিজাইন গ্রাহকের প্রয়োজনীয়তা অনুযায়ী কাস্টমাইজ করা যেতে পারে।

নির্বাচন চিত্র:

Hangzhou Lvran Environmental Protection Group Co., Ltd.

  • 1000+

    সেবা ইউনিট গ্রাহকদের

  • 2000+

    ন্যাশনাল ইঞ্জিনিয়ারিং কেস

Hangzhou Lvran Environmental Protection Group Co., Ltd. হল একটি ব্যাপক বর্জ্য গ্যাস শোধন ব্যবস্থা প্রকৌশল পরিষেবা প্রদানকারী এবং সরঞ্জাম প্রস্তুতকারক, যা R&D, প্রযুক্তিগত পরিষেবা, নকশা, উৎপাদন, প্রকৌশল ইনস্টলেশন, এবং বিক্রয়োত্তর পরিষেবাকে একীভূত করে।

We are China রাসায়নিক স্ক্রাবার Suppliers and Wholesale রাসায়নিক স্ক্রাবার Exporter, Company. গ্রুপটি একটি জাতীয় উচ্চ প্রযুক্তির উদ্যোগ, একটি ঝেজিয়াং প্রদেশের বিজ্ঞান ও প্রযুক্তি উদ্যোগ, একটি আঞ্চলিক গবেষণা ও উন্নয়ন কেন্দ্র এবং একটি AAA-রেটেড ক্রেডিট ইউনিট। এটি 30টিরও বেশি ইউটিলিটি মডেল পেটেন্ট, অসংখ্য উদ্ভাবন পেটেন্ট এবং সফ্টওয়্যার কপিরাইট ধারণ করে। গোষ্ঠীটির গার্হস্থ্য বিশ্ববিদ্যালয় এবং প্রতিষ্ঠানগুলির সাথে দীর্ঘস্থায়ী প্রযুক্তিগত R&D সহযোগিতা রয়েছে, যার মধ্যে রয়েছে আনহুই বিজ্ঞান ও প্রযুক্তি বিশ্ববিদ্যালয়ের সাথে প্রতিষ্ঠিত "এনভায়রনমেন্টাল ইনোভেশন R&D সেন্টার" এবং Zhejiang Sci-Tech University এর সাথে যৌথভাবে বিকশিত "Plasma Energy and Environmental New Technology R&D Center"। গভীর প্রযুক্তিগত সহযোগিতার জন্য গ্রুপটি নিজস্ব গবেষণা ও উন্নয়ন এবং উৎপাদন ভিত্তি স্থাপন করেছে। গ্রুপটি মূল VOC গ্যাস চিকিত্সা প্রযুক্তির অধিকারী, পৌরসভার পাবলিক ওয়ার্ক নির্মাণের জন্য একটি স্তর 2 সাধারণ চুক্তির যোগ্যতা, একটি সুরক্ষা উত্পাদন লাইসেন্স, ঝেজিয়াং প্রদেশে পরিবেশ দূষণ নিয়ন্ত্রণের জন্য একটি ক্লাস B বিশেষ নকশা যোগ্যতা, অশ্রেণীবদ্ধ শ্রম পরিষেবার যোগ্যতা এবং বিশেষ প্রকল্পগুলির জন্য বিশেষ চুক্তির অধিকারী। গ্রুপটি আন্তর্জাতিক মানের জন্য ISO9001, পরিবেশ ব্যবস্থাপনার জন্য ISO14001 এবং পেশাগত স্বাস্থ্য ও নিরাপত্তার জন্য ISO45001-এ প্রত্যয়িত।

অনার এবং সার্টিফিকেট

নিম্নলিখিত সম্মান আমাদের দীপ্তি প্রতিনিধিত্ব. আমরা উচ্চ-মানের পণ্য দিয়ে গ্রাহকদের জয় করি এবং ভাল পরিষেবা দিয়ে বাজার এবং জীবনের সর্বস্তরের থেকে উচ্চ প্রশংসা অর্জন করি।

  • একটি প্লেট-টাইপ উচ্চ বৈদ্যুতিক ক্ষেত্রের মৌলিক ইউনিট এবং পৃষ্ঠ বরাবর ফুটো প্রতিরোধের জন্য চুল্লি
  • কার্বন ডাই অক্সাইড এবং জল ব্যবহার করে মিথানল সংশ্লেষণের জন্য একটি প্রতিক্রিয়া ডিভাইস এবং কার্বন ডাই অক্সাইড এবং জল ব্যবহার করে মিথানল সংশ্লেষণের একটি পদ্ধতি
  • স্ব-পরিষ্কার ইলেক্ট্রোস্ট্যাটিক precipitator
  • একটি জারা-প্রতিরোধী উচ্চ-চাপের পাখা বাতাসের দিক সমন্বয় ফাংশন সহ
  • একটি সামঞ্জস্যযোগ্য স্ব-পরিষ্কারকারী উচ্চ-ক্ষমতার পাখা
  • সম্মিলিত অনুঘটক গ্যাসীকরণ নিষ্কাশন গ্যাস প্রাক চিকিত্সা নিয়ন্ত্রণ ব্যবস্থা
  • বাষ্প পরিষ্কার ক্রমাগত ইলেক্ট্রোস্ট্যাটিক ক্ষেত্র নিষ্কাশন গ্যাস পরিশোধন এবং চিকিত্সা সিস্টেম
  • নিম্ন তাপমাত্রার প্লাজমা ইউভি ফটোলাইসিস নিষ্কাশন গ্যাস পরিশোধন সরঞ্জাম সিস্টেম
  • ট্রেডমার্ক নিবন্ধন শংসাপত্র
সাম্প্রতিক সংবাদ এবং ঘটনা
আপনার সাথে শেয়ার করুন
আরও খবর দেখুন